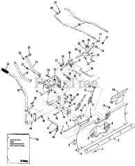
Toro Consumer 108727  BLADE ASM

Toro 108727 BLADE ASM

Toro 108727

BLADE ASM
(Superseded to 92-6037-03)

25.45 lbs.

$

$

Not available

Models that Use this Part

Your part was not found on any models.

  • If you feel this is in error or desire further assistance, please call us!

06-42BK01 - Toro 42" Snow Blade (1988)

SNOW BLADE-42" (107 CM)

06-42BK01 - Toro 42" Snow Blade (1989)

SNOW BLADE-42" (107 CM)

16-42BL01 - Toro 42" Snow Blade (1989)

SNOW BLADE-42" (107 CM)

36-42BL01 - Toro 42" Snow Blade (1987)

SNOW BLADE-42" (107 CM)

36-42BL01 - Toro 42" Snow Blade (1988)

SNOW BLADE-42" (107 CM)

79150 - Toro 42" Snow Blade (SN: 039000001 - 039999999) (1993)

BLADE ASSEMBLY

Don’t see your model? Add key terms into the filter above to refine your search results.