Toro Consumer 11-4629  DISCONTINUED

Toro 11-4629 DISCONTINUED

Toro 11-4629

DISCONTINUED
(Superseded to )

$

$

Not available

Models that Use this Part

Your part was not found on any models.

  • If you feel this is in error or desire further assistance, please call us!

57300 (8-32) - Toro Lawn Tractor (SN: 004000001 - 004999999) (1984)

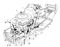
Engine Assembly Model 57300

57300 (8-32) - Toro Lawn Tractor (SN: 005000001 - 005999999) (1985)

Engine Assembly Model 57300

57360 (11-32) - Toro Lawn Tractor (SN: 004000001 - 004999999) (1984)

Engine Assembly Model 57300

57360 (11-32) - Toro Lawn Tractor (SN: 005000001 - 005999999) (1985)

Engine Assembly Model 57300