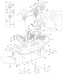
Toro Consumer 112-6155  ROD-DECK

Toro 112-6155 ROD-DECK

Toro 112-6155

ROD-DECK
(Superseded to )

1.17 lbs.

$

$

Not available

Models that Use this Part

Your part was not found on any models.

  • If you feel this is in error or desire further assistance, please call us!

13AP61RH048 (LX 468) - Toro Lawn Tractor (SN: 1C108H20348 & Above) (2008)

46 Inch Deck Assembly (Electric PTO)

13AP61RH848 (LX 468) - Toro Lawn Tractor (2009)

46 Inch Deck Assembly

13AT61RH044 (LX 466) - Toro Lawn Tractor (SN: 1L137H10100 & Above) (2008)

46 Inch Deck Assembly

13AT61RH048 (LX 466) - Toro Lawn Tractor (SN: 1L137H10100 & Above) (2008)

46 Inch Deck Assembly

13AT61RH544 (LX 466) - Toro Lawn Tractor (2008)

46 Inch Deck Assembly

13RT61RH044 (LX 466) - Toro Lawn Tractor (SN: 1L137H10100 & Above) (2008)

46 Inch Deck Assembly

13RT61RH244 (LX 466) - Toro Lawn Tractor (SN: 1L137H10100 & Above) (2008)

46 Inch Deck Assembly