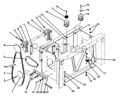
Toro Consumer 113671  ASSY-JACKSHAFT *PLT

Toro 113671

ASSY-JACKSHAFT *PLT
(Superseded to )

3.54 lbs.

$

$

Not available

Models that Use this Part

Your part was not found on any models.

  • If you feel this is in error or desire further assistance, please call us!

74140 (724-Z) - Toro Zero-Turn Mower, Drive Unit Only (SN: 039000001 - 039999999) (1993)

Transmission Drive Frame

74140 (724-Z) - Toro Zero-Turn Mower, Drive Unit Only (SN: 049000001 - 049999999) (1994)

Transmission Drive Frame

74140 (724-Z) - Toro Zero-Turn Mower, Drive Unit Only (SN: 059000001 - 059999999) (1995)

Transmission Drive Frame

Z1-24OE01 (724-Z) - Toro Zero-Turn Mower, Drive Unit Only (1988)

Section 5-Transmission Drive

Z1-24OE02 (724-Z) - Toro Zero-Turn Mower, Drive Unit Only (1989)

Section 5-Transmission Drive

Z1-24OE03 (724-Z) - Toro Zero-Turn Mower, Drive Unit Only (1990)

Transmission Drive

Z1-24OE04 (724-Z) - Toro Zero-Turn Mower, Drive Unit Only (SN: 010000001 - 019999999) (1991)

Transmission Drive Frame

Z1-24OE05 (724-Z) - Toro Zero-Turn Mower, Drive Unit Only (SN: 020000001 - 029999999) (1992)

Transmission Drive Frame