Toro Consumer 116408  V-BELT

Toro 116408 V-BELT

Toro 116408

V-BELT
(Superseded to )

0.79 lbs.

$156.99

$

Usually ships in 3-6 days

0

Models that Use this Part

Your part was not found on any models.

  • If you feel this is in error or desire further assistance, please call us!

05-38SY01 - Toro 38" Side-Discharge Mower Deck (1990)

Rear Side Discharge Mower-42 In (107 Cm) Vehicle Identification Number 05-42ry01

05-42RY01 - Toro 42" Rear-Discharge Mower Deck (1990)

Rear Side Discharge Mower-42 In (107 Cm) Vehicle Identification Number 05-42ry01

05-42RY02 - Toro 42" Rear-Discharge Mower Deck (SN: 010000001 - 019999999) (1991)

Deck Assembly (continued)

05-42SY01 - Toro 42" Side-Discharge Mower Deck (1990)

Rear Side Discharge Mower-42 In (107 Cm) Vehicle Identification Number 05-42ry01

78420 - Toro 42" Rear-Discharge Mower Deck (SN: 039000001 - 039999999) (1993)

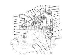
Spindles, Pulleys And Belts

78420 - Toro 42" Rear-Discharge Mower Deck (SN: 049000001 - 049999999) (1994)

Spindles, Pulleys And Belts

78425 - Toro 42" Recycler Mower Deck (SN: 039000001 - 039999999) (1993)

Pulley Assembly

78425 - Toro 42" Recycler Mower Deck (SN: 049000001 - 049999999) (1994)

Pulley Assembly

78425 - Toro 42" Recycler Mower Deck (SN: 059000001 - 059999999) (1995)

Pulley Assembly