Toro Consumer 14-7229  DEFLECTOR W/ DECAL

Toro 14-7229 DEFLECTOR W/ DECAL

Toro 14-7229

DEFLECTOR W/ DECAL
(Superseded to )

10.00 lbs.

$

$

Not available

Models that Use this Part

Your part was not found on any models.

  • If you feel this is in error or desire further assistance, please call us!

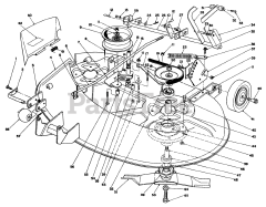
R5-38SL02 - Toro 38" Recycler Mower Deck (SN: 020000001 - 029999999) (1992)

SPINDLE & HEIGHT OF CUT ASSEMBLY