Toro Consumer 26-9672  Belt

Toro 26-9672

Belt
(Superseded to )

0.19 lbs.

Description... Hide
The purpose of the Belt is to drive smooth movement within your equipment. Belts are most often found within the engine and cutting deck. The belt length and shape varies based on the system, but most are V-shaped or Cogged. The most common signs that a belt needs to be replaced are the appearance of a shiny, glazed, or burned spot on the side wall or if the belt appears brittle or shows small cracks. Before removing a belt during your repair task, make note of its exact routing around the pulley system.

$32.99

$

In Stock, only 2 left!

0

Models that Use this Part

Your part was not found on any models.

  • If you feel this is in error or desire further assistance, please call us!

38062 (622) - Toro 22" Snow Thrower (SN: 079000001 - 079999999) (1997)

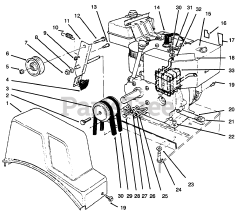
Engine Assembly

38062 (622) - Toro 22" Snow Thrower (SN: 089000001 - 089999999) (1998)

ENGINE ASSEMBLY

38062 (622) - Toro 22" Snow Thrower (SN: 099000001 - 099999999) (1999)

Engine Assembly

38063 (622) - Toro 22" Power Throw Snow Thrower (SN: 000000001 - 000999999) (2000)

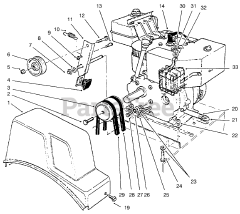
Engine Assembly

38063 (622) - Toro 22" Power Throw Snow Thrower (SN: 079000001 - 079999999) (1997)

Engine Assembly

38063 (622) - Toro 22" Power Throw Snow Thrower (SN: 089000001 - 089999999) (1998)

ENGINE ASSEMBLY

38063 (622) - Toro 22" Power Throw Snow Thrower (SN: 099000001 - 099999999) (1999)

Engine Assembly

38063 (622) - Toro 22" Power Throw Snow Thrower (SN: 200000001 - 200999999) (2000)

Engine Assembly

38063 (622) - Toro 22" Power Throw Snow Thrower (SN: 210000001 - 210999999) (2001)

Engine Assembly

38063 (622) - Toro 22" Power Throw Snow Thrower (SN: 220000001 - 220999999) (2002)

Engine Assembly

38063 (622) - Toro 22" Power Throw Snow Thrower (SN: 230000001 - 230999999) (2003)

Engine Assembly

38064 (622) - Toro 22" Power Throw Snow Thrower (SN: 200000001 - 200999999) (2000)

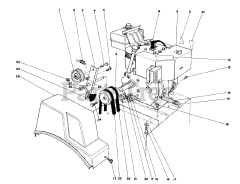
Engine Assembly

38064 (622) - Toro 22" Power Throw Snow Thrower (SN: 210000001 - 210999999) (2001)

Engine Assembly

38064 (622) - Toro 22" Power Throw Snow Thrower (SN: 220000001 - 220999999) (2002)

Engine Assembly

38064 (622) - Toro 22" Power Throw Snow Thrower (SN: 230000001 - 230999999) (2003)

Engine Assembly

38072 (724) - Toro 24" Snow Thrower (SN: 039000001 - 039999999) (1993)

Engine Assembly

38072 (724) - Toro 24" Snow Thrower (SN: 049000001 - 049999999) (1994)

Engine Assembly

38072 (724) - Toro 24" Snow Thrower (SN: 059000001 - 059999999) (1995)

Engine Assembly

38072 (724) - Toro 24" Snow Thrower (SN: 069000001 - 069999999) (1996)

Engine Assembly

38072 (724) - Toro 24" Snow Thrower (SN: 079000001 - 079999999) (1997)

Engine Assembly

38072 (724) - Toro 24" Snow Thrower (SN: 089000001 - 089999999) (1998)

ENGINE ASSEMBLY

38072 (724) - Toro 24" Snow Thrower (SN: 099000001 - 099999999) (1999)

Engine Assembly

38072 (724) - Toro 24" Snow Thrower (SN: 200000001 - 200999999) (2000)

Engine Assembly

38073 (724) - Toro 24" Snow Thrower (SN: 039000001 - 039999999) (1993)

Engine Assembly

38073 (724) - Toro 24" Snow Thrower (SN: 049000001 - 049999999) (1994)

Engine Assembly

Don’t see your model? Add key terms into the filter above to refine your search results.