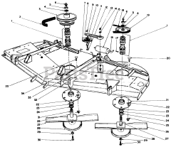
Toro Consumer 27-8580  Idler Arm Assembly

Toro 27-8580

Idler Arm Assembly
(Superseded to 99-1297)

7.65 in.

1.95 in.

1.80 in.

1.39 lbs.

Description... Hide
This repair part is made by the Original Equipment Manufacturer (OEM) to return your equipment to peak performance levels after normal use. When installing it, remember to do so in a well lit and ventilated space, while taking proper safety precautions like eye protection and chemical-resistant gloves as appropriate. Using only Genuine OEM parts, the same that would be used by an Authorized Dealer performing a warranty repair, will ensure the optimal performance and prolong the life of your equipment.

$173.99

$

In Stock, only 3 left!

0

Models that Use this Part

Your part was not found on any models.

  • If you feel this is in error or desire further assistance, please call us!

30162 - Toro 62" Side-Discharge Mower Deck (SN: 000000001 - 009999999) (1990)

62" Side Discharge Deck (continued) 2

30162 - Toro 62" Side-Discharge Mower Deck (SN: 010000001 - 019999999) (1991)

62" Side Discharge Deck (continued) 2

30162 - Toro 62" Side-Discharge Mower Deck (SN: 020000001 - 029999999) (1992)

62" Side Discharge Deck (continued) 2

30162 - Toro 62" Side-Discharge Mower Deck (SN: 039000001 - 039999999) (1993)

Pulleys And Idler Assembly

30560 - Toro 52" Rear-Discharge Mower Deck (SN: 003000001 - 003999999) (1983)

Cutting Unit Model No. 30562

30560 - Toro 52" Rear-Discharge Mower Deck (SN: 004000001 - 004999999) (1984)

Cutting Unit Model No. 30562

30560 - Toro 52" Rear-Discharge Mower Deck (SN: 005000001 - 005999999) (1985)

Cutting Unit Model No. 30562

30575 - Toro 72" Side-Discharge Mower Deck (SN: 000000001 - 000099999) (1990)

Cutting Unit Model No. 30564

30575 - Toro 72" Side-Discharge Mower Deck (SN: 007000001 - 007999999) (1987)

Cutting Unit Model No. 30562

30575 - Toro 72" Side-Discharge Mower Deck (SN: 008000001 - 008999999) (1988)

Cutting Unit Model No. 30564

30575 - Toro 72" Side-Discharge Mower Deck (SN: 009000001 - 009999999) (1989)

Cutting Unit Model No. 30564

30575 - Toro 72" Side-Discharge Mower Deck (SN: 010000001 - 019999999) (1991)

Cutting Unit Model No. 30564

30575 - Toro 72" Side-Discharge Mower Deck (SN: 039000001 - 039999999) (1993)

Deck Assembly