Toro Consumer 28-0400  DISCONTINUED

Toro 28-0400 DISCONTINUED

Toro 28-0400

DISCONTINUED
(Superseded to )

$

$

Not available

Models that Use this Part

Your part was not found on any models.

  • If you feel this is in error or desire further assistance, please call us!

57300 (8-32) - Toro Lawn Tractor (SN: 000000001 - 000999999) (1980)

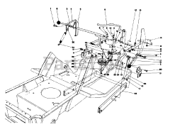
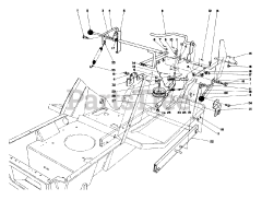
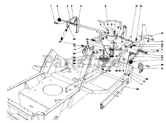
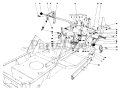
SHIFT & CLUTCH ASSEMBLY

57300 (8-32) - Toro Lawn Tractor (SN: 001000001 - 001999999) (1981)

SHIFT & CLUTCH ASSEMBLY

57300 (8-32) - Toro Lawn Tractor (SN: 002000001 - 002999999) (1982)

SHIFT & CLUTCH ASSEMBLY

57300 (8-32) - Toro Lawn Tractor (SN: 003000001 - 003999999) (1983)

SHIFT & CLUTCH ASSEMBLY

57300 (8-32) - Toro Lawn Tractor (SN: 004000001 - 004999999) (1984)

SHIFT & CLUTCH ASSEMBLY

57300 (8-32) - Toro Lawn Tractor (SN: 005000001 - 005999999) (1985)

SHIFT & CLUTCH ASSEMBLY

57300 (8-32) - Toro Lawn Tractor (SN: 007000001 - 007999999) (1977)

SHIFT & CLUTCH ASSEMBLY

57300 (8-32) - Toro Lawn Tractor (SN: 009000001 - 009999999) (1979)

SHIFT & CLUTCH ASSEMBLY

57351 - Toro 32" Lawn Tractor (SN: 007000001 - 007999999) (1977)

SHIFT & CLUTCH ASSEMBLY

57360 (11-32) - Toro Lawn Tractor (SN: 000000001 - 000999999) (1980)

SHIFT & CLUTCH ASSEMBLY

57360 (11-32) - Toro Lawn Tractor (SN: 001000001 - 001999999) (1981)

SHIFT & CLUTCH ASSEMBLY

57360 (11-32) - Toro Lawn Tractor (SN: 002000001 - 002999999) (1982)

SHIFT & CLUTCH ASSEMBLY

57360 (11-32) - Toro Lawn Tractor (SN: 003000001 - 003999999) (1983)

SHIFT & CLUTCH ASSEMBLY

57360 (11-32) - Toro Lawn Tractor (SN: 004000001 - 004999999) (1984)

SHIFT & CLUTCH ASSEMBLY

57360 (11-32) - Toro Lawn Tractor (SN: 005000001 - 005999999) (1985)

SHIFT & CLUTCH ASSEMBLY

57360 (11-32) - Toro Lawn Tractor (SN: 006000001 - 006999999) (1986)

SHIFT & CLUTCH ASSEMBLY

57360 (11-32) - Toro Lawn Tractor (SN: 007000001 - 007999999) (1987)

SHIFT & CLUTCH ASSEMBLY

57360 (11-32) - Toro Lawn Tractor (SN: 009000001 - 009999999) (1979)

SHIFT & CLUTCH ASSEMBLY

57375 - Toro Lawn Tractor, 8hp (SN: 000000001 - 000999999) (1980)

SHIFT & CLUTCH ASSEMBLY

57375 - Toro Lawn Tractor, 8hp (SN: 009000001 - 009999999) (1979)

SHIFT & CLUTCH ASSEMBLY

57380 - Toro Lawn Tractor, 8hp (SN: 000000001 - 000999999) (1980)

SHIFT & CLUTCH ASSEMBLY

57385 - Toro Lawn Tractor, 11hp (SN: 000000001 - 000999999) (1980)

SHIFT & CLUTCH ASSEMBLY

57385 - Toro Lawn Tractor, 11hp (SN: 001000001 - 001999999) (1981)

SHIFT & CLUTCH ASSEMBLY

57400 - Toro Lawn Tractor, 12hp (SN: 008000001 - 008999999) (1988)

SHIFT & CLUTCH ASSEMBLY

57410 - Toro Lawn Tractor, 12hp (SN: 008000001 - 008999999) (1988)

SHIFT & CLUTCH ASSEMBLY

Don’t see your model? Add key terms into the filter above to refine your search results.