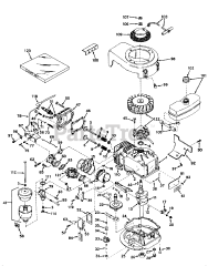
Toro Consumer 30963A  Rod Assy., Connecting (Incl. Nos. 18, 19 20)

Toro 30963A Rod Assy., Connecting (Incl. Nos. 18, 19  20)

Toro 30963A

Rod Assy., Connecting (Incl. Nos. 18, 19 20)
(Superseded to )

$

$

Currently unavailable

Models that Use this Part

Your part was not found on any models.

  • If you feel this is in error or desire further assistance, please call us!

18212 - Toro Whirlwind Walk-Behind Mower (SN: 008000001 - 008999999) (1968)

Engine Model No. Lav30-30360g

18213 - Toro Whirlwind Walk-Behind Mower (SN: 008000001 - 008999999) (1968)

Engine Model No. Lav30-30412g

18221 - Toro Whirlwind Walk-Behind Mower (SN: 008000001 - 008999999) (1968)

Engine (continued)

19221 - Toro Whirlwind Walk-Behind Mower (SN: 008000001 - 008999999) (1968)

Engine (continued)

20222 - Toro Walk-Behind Mower (SN: 008000001 - 008999999) (1968)

Engine (continued)

21100 - Toro Whirlwind Walk-Behind Mower (SN: 008000001 - 008999999) (1968)

Engine Model Lav35-40369g