Toro Consumer 32130-46  Ring-Retaining

Toro 32130-46 Ring-Retaining

Toro 32130-46

Ring-Retaining
(Superseded to )

$

$

Currently unavailable

Models that Use this Part

Your part was not found on any models.

  • If you feel this is in error or desire further assistance, please call us!

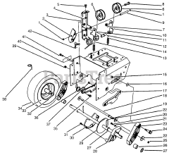
38540 (824) - Toro 24" Power Shift Snow Thrower (SN: 069000001 - 069999999) (1996)

Traction Drive Assembly

38543 (824) - Toro 24" Power Shift Snow Thrower (SN: 069000001 - 069999999) (1996)

Traction Drive Assembly