Toro Consumer 3274-32(s  Screw

Toro 3274-32(s Screw

Toro 3274-32(s

Screw
(Superseded to )

$

$

Currently unavailable

Models that Use this Part

Your part was not found on any models.

  • If you feel this is in error or desire further assistance, please call us!

55001 - Toro Compact Suburban Lawn Tractor (SN: 008000001 - 008999999) (1968)

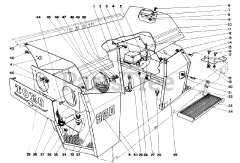
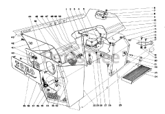
Hood And Fender Group

55101 - Toro Compact Suburban Lawn Tractor, Electric (SN: 008000001 - 008999999) (1968)

Hood And Fender Group

55302 (950) - Toro Suburban Lawn Tractor (SN: 000000001 - 000999999) (1970)

Hood Grille Assembly

55302 (950) - Toro Suburban Lawn Tractor (SN: 009000001 - 009999999) (1969)

950 And 960 Suburban Tractor

55402 (960) - Toro Suburban Lawn Tractor (SN: 000000001 - 000999999) (1970)

Hood Grille Assembly

55402 (960) - Toro Suburban Lawn Tractor (SN: 009000001 - 009999999) (1969)

950 And 960 Suburban Tractor

57101 - Toro 25" Lawn Tractor (SN: 008000001 - 008999999) (1968)

Hood Group

57201 - Toro 25" Lawn Tractor (SN: 008000001 - 008999999) (1968)

Hood Group