Toro Consumer 35707  Motor-Starter, Electric (12 Volt)

Toro 35707 Motor-Starter, Electric (12 Volt)

Toro 35707

Motor-Starter, Electric (12 Volt)
(Superseded to )

$

$

Currently unavailable

Models that Use this Part

Your part was not found on any models.

  • If you feel this is in error or desire further assistance, please call us!

20076 A - Toro 22" Recycler Walk-Behind Mower (SN: 270000001 - 270999999) (2007)

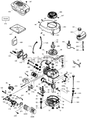
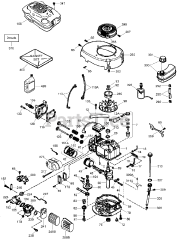
Engine Assembly No. 2 Tecumseh LV195EA-362086D

20076 - Toro 22" Recycler Walk-Behind Mower (SN: 270000001 - 270999999) (2007)

Engine Assembly No. 2 Tecumseh LV195XA-362086E