Toro Consumer 39-6090  AUGER HSG WA 32" *R

Toro 39-6090 AUGER HSG WA 32" *R

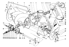
Toro 39-6090

AUGER HSG WA 32" *R
(Superseded to 25-5110)

32.52 lbs.

$1944.99

$

Usually ships in 3-6 days

0

Models that Use this Part

Your part was not found on any models.

  • If you feel this is in error or desire further assistance, please call us!

38095 (1132) - Toro 32" Snow Thrower (SN: 000000001 - 000999999) (1980)

Auger Assembly

38095 (1132) - Toro 32" Snow Thrower (SN: 001000001 - 001999999) (1981)

Auger Assembly

38155 (826) - Toro Snow Thrower (SN: 001000001 - 001999999) (1981)

Auger Assembly

38155 (826) - Toro Snow Thrower (SN: 002000001 - 002999999) (1982)

Auger Assembly