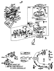
Toro Consumer 393397  Repair Kit-Pump

Toro 393397 Repair Kit-Pump

Toro 393397

Repair Kit-Pump
(Superseded to )

$

$

Currently unavailable

Models that Use this Part

Your part was not found on any models.

  • If you feel this is in error or desire further assistance, please call us!

30116 - Toro ProLine Walk-Behind Mower, Gear Drive, 16hp (SN: 006000001 - 006999999) (1986)

Engine Briggs Stratton Model No. 402707-0158-01 (continued) 2

30116 - Toro ProLine Walk-Behind Mower, Gear Drive, 16hp (SN: 007000001 - 007999999) (1987)

Engine Briggs Stratton Model No. 402707-0158-01 (continued) 2

30116 - Toro ProLine Walk-Behind Mower, Gear Drive, 16hp (SN: 008000001 - 008999999) (1988)

Briggs Stratton Engine Model No. 402707-0158-01 (continued) 2

30116 - Toro ProLine Walk-Behind Mower, Gear Drive, 16hp (SN: 009000001 - 009999999) (1989)

Briggs Stratton Engine Model No. 402707-0158-01 (continued)