Toro Consumer 44-3100  Primer Bulb

Toro 44-3100

Primer Bulb
(Superseded to 66-7460)

0.01 lbs.

Description... Hide
The Primer Bulb is a small round pliable plastic bubble or button located on the carburetor that when pressed draws fuel through the fuel line into the carb. Over time, exposure to chemicals in the fuel, grit from the fuel tank, and heat from the sun can harden the plastic primer bulb causing it to get brittle and crack. Home users often replace the primer bulb during their annual tune-up. Replacing the primer bulb is usually very simple and requires little more than a screwdriver.

$6.99

$

In Stock, Qty 20+

0

Models that Use this Part

Your part was not found on any models.

  • If you feel this is in error or desire further assistance, please call us!

16202 C - Toro Walk-Behind Mower (SN: 008000001 - 008999999) (1988)

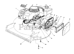
ENGINE ASSEMBLY (MODEL NO. 47PH7)

16585 C - Toro Walk-Behind Mower (SN: 008000001 - 008999999) (1988)

ENGINE ASSEMBLY

16585 - Toro Walk-Behind Mower (SN: 008000001 - 008004251) (1988)

ENGINE ASSEMBLY

16585 - Toro Walk-Behind Mower (SN: 008004252 - 008999999) (1988)

ENGINE ASSEMBLY

16785 - Toro Walk-Behind Mower (SN: 008000001 - 008007011) (1988)

ENGINE ASSEMBLY (SERIAL NO. 8001572 & UP)

16785 - Toro Walk-Behind Mower (SN: 008007012 - 008999999) (1988)

ENGINE ASSEMBLY

20581 C - Toro Walk-Behind Mower (SN: 008000001 - 008999999) (1988)

ENGINE ASSEMBLY

20581 - Toro Walk-Behind Mower (SN: 008000001 - 008999999) (1988)

ENGINE ASSEMBLY

20584 - Toro Walk-Behind Mower (SN: 008000001 - 008999999) (1988)

ENGINE ASSEMBLY

20684 - Toro Walk-Behind Mower (SN: 008000001 - 008999999) (1988)

ENGINE ASSEMBLY (USED ON UNITS WITH SERIAL NO. 8003898 & UP)

20745 C - Toro Walk-Behind Mower (SN: 008000001 - 008999999) (1988)

ENGINE ASSEMBLY (USED ON UNITS WITH SERIAL NO. 8000402 & UP)

20746 C - Toro Walk-Behind Mower (SN: 008000001 - 008999999) (1988)

ENGINE ASSEMBLY

20747 C - Toro Walk-Behind Mower (SN: 008000001 - 008999999) (1988)

ENGINE ASSEMBLY (MODEL NO. 47PG7)

38180 C (CCR 2000) - Toro Snow Thrower (SN: 007000001 - 007999999) (1987)

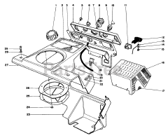
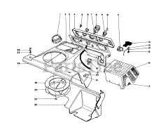
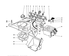
CONTROL PANEL & SHROUDING ASSEMBLY

38180 C (CCR 2000) - Toro Snow Thrower (SN: 008000001 - 008999999) (1988)

CONTROL PANEL & SHROUDING ASSEMBLY

38180 C (CCR 2000) - Toro Snow Thrower (SN: 009000001 - 009999999) (1989)

CONTROL PANEL & SHROUDING ASSEMBLY

38180 (CCR 2000) - Toro Snow Thrower (SN: 006000001 - 006999999) (1986)

CONTROL PANEL & SHROUDING ASSEMBLY

38180 (CCR 2000) - Toro Snow Thrower (SN: 007000001 - 007999999) (1987)

CONTROL PANEL & SHROUDING ASSEMBLY

38180 (CCR 2000) - Toro Snow Thrower (SN: 008000001 - 008999999) (1988)

CONTROL PANEL & SHROUDING ASSEMBLY

38180 (CCR 2000) - Toro Snow Thrower (SN: 009000001 - 009999999) (1989)

CONTROL PANEL & SHROUDING ASSEMBLY

38185 C (CCR 2000) - Toro Snow Thrower (SN: 008000001 - 008999999) (1988)

CONTROL PANEL & SHROUDING ASSEMBLY

38185 C (CCR 2000) - Toro Snow Thrower (SN: 009000001 - 009999999) (1989)

CONTROL PANEL & SHROUDING ASSEMBLY

38185 (CCR 2000) - Toro Snow Thrower (SN: 007000001 - 007999999) (1987)

CONTROL PANEL & SHROUDING ASSEMBLY

38185 (CCR 2000) - Toro Snow Thrower (SN: 008000001 - 008999999) (1988)

CONTROL PANEL & SHROUDING ASSEMBLY

38185 (CCR 2000) - Toro Snow Thrower (SN: 009000001 - 009999999) (1989)

CONTROL PANEL & SHROUDING ASSEMBLY

Don’t see your model? Add key terms into the filter above to refine your search results.