Toro Consumer 49-7700  Thrust Washer, Outer

Toro 49-7700

Thrust Washer, Outer
(Superseded to )

0.01 lbs.

Description... Hide
The purpose of the Washer is to distribute the load of a threaded fastener. Other uses are as a spacer, spring (such as a Belleville washer), or wear pad. Some washers are very unique to the parts they are fastened to, and must be purchased from the OEM/Manufacturer. Other washers look identical those you might find in a hardware store. We always suggest purchasing replacement washers from a genuine OEM original parts dealer, like us, to ensure they fit exactly as intended for safe operation by the OEM.

$2.99

$

In Stock, Qty 20+

0

Models that Use this Part

Your part was not found on any models.

  • If you feel this is in error or desire further assistance, please call us!

11-0189 - Toro Grass Bag Assembly, 21" Rear Bagger Mowers

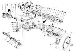
Gear Case Assembly

20620 - Toro Walk-Behind Mower (SN: 006000001 - 006999999) (1986)

Gear Case Assembly

20620 - Toro Walk-Behind Mower (SN: 007000001 - 007999999) (1987)

Gear Case Assembly (continued) (used On Units With Serial No. 7000001-7005921)

20622 C - Toro Walk-Behind Mower (SN: 007000001 - 007999999) (1987)

Gear Case Assembly

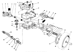
20622 - Toro Walk-Behind Mower (SN: 006000001 - 006999999) (1986)

GEAR CASE ASSEMBLY

20622 - Toro Walk-Behind Mower (SN: 007000001 - 007999999) (1987)

GEAR CASE ASSEMBLY (used on units with serial no. 7000001-7007080)

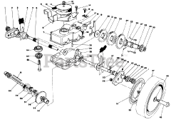
20622 - Toro Walk-Behind Mower (SN: 008000001 - 008999999) (1988)

Gear Case Assembly (used On Units With Serial No. 8000001 Thru 8049999)

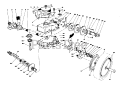
20624 - Toro Walk-Behind Mower (SN: 006000001 - 006999999) (1986)

Gear Case Assembly

20624 - Toro Walk-Behind Mower (SN: 007000001 - 007999999) (1987)

Gear Case Assembly (continued)(used On Units With Serial No. 7000001-70499999)

20626 C - Toro Walk-Behind Mower (SN: 006000001 - 006999999) (1986)

Gear Case Assembly

20626 C - Toro Walk-Behind Mower (SN: 007000001 - 007999999) (1987)

Gear Case Assembly

20627 C - Toro Walk-Behind Mower (SN: 006000001 - 006999999) (1986)

Gear Case Assembly (machine Serial No. 6900001 Thru 6902500)

20627 C - Toro Walk-Behind Mower (SN: 007000001 - 007999999) (1987)

Gear Case Assembly

20627 C - Toro Walk-Behind Mower (SN: 008000001 - 008999999) (1988)

Gear Case Assembly

20628 C - Toro Walk-Behind Mower (SN: 006000001 - 006999999) (1986)

Gear Case Assembly

20628 C - Toro Walk-Behind Mower (SN: 007000001 - 007999999) (1987)

Gear Case Assembly

20628 C - Toro Walk-Behind Mower (SN: 008000001 - 008999999) (1988)

Gear Case Assembly

20629 C - Toro Walk-Behind Mower (SN: 006000001 - 006999999) (1986)

Gear Case Assembly

20629 C - Toro Walk-Behind Mower (SN: 007000001 - 007999999) (1987)

Gear Case Assembly

20672 - Toro Walk-Behind Mower (SN: 004000001 - 004999999) (1984)

Gear Case Assembly

20672 - Toro Walk-Behind Mower (SN: 005000001 - 005999999) (1985)

Gear Case Assembly

20675 - Toro Walk-Behind Mower (SN: 004000001 - 004999999) (1984)

Gear Case Assembly

20675 - Toro Walk-Behind Mower (SN: 005000001 - 005999999) (1985)

Gear Case Assembly

20675 - Toro Walk-Behind Mower (SN: 006000001 - 006999999) (1986)

Gear Case Assembly (used On Units With Serial No. 6000101-6001100)

20676 - Toro Walk-Behind Mower (SN: 004000001 - 004999999) (1984)

Gear Case Assembly

Don’t see your model? Add key terms into the filter above to refine your search results.