Toro Consumer 51-2750  Wheel and Tire Assembly

Toro 51-2750

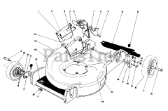
Wheel and Tire Assembly
(Superseded to 51-2751)

1.36 lbs.

$37.99

$

In Stock, only 4 left!

0

Models that Use this Part

Your part was not found on any models.

  • If you feel this is in error or desire further assistance, please call us!

20564 C - Toro Walk-Behind Mower, Electric (SN: 008000001 - 008999999) (1988)

Housing Assembly

20564 C - Toro Walk-Behind Mower, Electric (SN: 009000001 - 009999999) (1989)

Housing Assembly

20586 C - Toro Walk-Behind Mower (SN: 008000001 - 008999999) (1988)

Housing Assembly

20676 - Toro Walk-Behind Mower (SN: 004000001 - 004999999) (1984)

Housing Assembly

20780 C - Toro Walk-Behind Mower (SN: 008000001 - 008999999) (1988)

Housing Assembly

26624 - Toro Walk-Behind Mower (SN: 008000001 - 008999999) (1988)

Housing Assembly