Toro Consumer 52-0210  DISCONTINUED

Toro 52-0210 DISCONTINUED

Toro 52-0210

DISCONTINUED
(Superseded to )

$

$

Not available

Models that Use this Part

Your part was not found on any models.

  • If you feel this is in error or desire further assistance, please call us!

58402 - Toro Edger, 2hp (SN: 004000001 - 004999999) (1984)

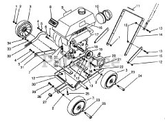
ENGINE & BLADE ASSEMBLY

58402 - Toro Edger, 2hp (SN: 005000001 - 005999999) (1985)

ENGINE & BLADE ASSEMBLY

58410 - Toro Edger, 2hp (SN: 006000001 - 006999999) (1986)

FRAME ASSEMBLY

58410 - Toro Edger, 2hp (SN: 007000001 - 007999999) (1987)

FRAME ASSEMBLY

58430 - Toro Edger, 3.5hp (SN: 006000001 - 006999999) (1986)

ENGINE & BLADE ASSEMBLY

58430 - Toro Edger, 3.5hp (SN: 007000001 - 007999999) (1987)

ENGINE & BLADE ASSEMBLY

58435 - Toro Edger, 3.5hp (SN: 004000001 - 004999999) (1984)

ENGINE & BLADE ASSEMBLY

58435 - Toro Edger, 3.5hp (SN: 005000001 - 005999999) (1985)

ENGINE & BLADE ASSEMBLY