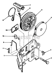
Toro Consumer 590560  Clip-Bowden Wire (Not used on all engine models)

Toro 590560 Clip-Bowden Wire (Not used on all engine models)

Toro 590560

Clip-Bowden Wire (Not used on all engine models)
(Superseded to )

$

$

Currently unavailable

Models that Use this Part

Your part was not found on any models.

  • If you feel this is in error or desire further assistance, please call us!

16165 C - Toro Walk-Behind Mower (SN: 006000001 - 006999999) (1986)

Rewind Starter No. 590531

16299 C - Toro Walk-Behind Mower (SN: 007000001 - 007999999) (1987)

Starter No. 590531

16299 C - Toro Walk-Behind Mower (SN: 008000001 - 008999999) (1988)

Starter No. 590531

16340 C - Toro Walk-Behind Mower (SN: 005000001 - 005999999) (1985)

Rewind Starter No. 590531

16340 C - Toro Walk-Behind Mower (SN: 006000001 - 006999999) (1986)

Rewind Starter N0. 590531

20762 C - Toro Walk-Behind Mower (SN: 006000001 - 006999999) (1986)

Rewind Starter No. 590531

20780 C - Toro Walk-Behind Mower (SN: 005000001 - 005999999) (1985)

Rewind Starter No. 590531

20782 C - Toro Walk-Behind Mower (SN: 005000001 - 005999999) (1985)

Rewind Starter No. 590531

20782 C - Toro Walk-Behind Mower (SN: 006000001 - 006999999) (1986)

Rewind Starter No. 590531