Toro Consumer 63-5650  DISCONTINUED

Toro 63-5650 DISCONTINUED

Toro 63-5650

DISCONTINUED
(Superseded to )

$

$

Not available

Models that Use this Part

Your part was not found on any models.

  • If you feel this is in error or desire further assistance, please call us!

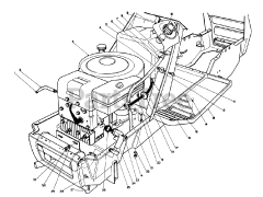
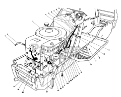
57400 - Toro Lawn Tractor, 12hp (SN: 008000001 - 008999999) (1988)

Engine Assembly

57410 - Toro Lawn Tractor, 12hp (SN: 008000001 - 008999999) (1988)

Engine Assembly

57420 (12-44) - Toro Lawn Tractor, 12hp (SN: 008000001 - 008999999) (1988)

Engine Assembly

57430 (12-44) - Toro Pro Lawn Tractor (SN: 008000001 - 008999999) (1988)

Engine Assembly

57450 (12-32) - Toro Lawn Tractor (SN: 010000001 - 019999999) (1991)

Engine Assembly