Toro Consumer 6508391  Screw, 1/4-20 x 3/8"

Toro 6508391 Screw, 1/4-20 x 3/8"

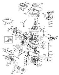
Toro 6508391

Screw, 1/4-20 x 3/8"
(Superseded to )

$

$

Currently unavailable

Models that Use this Part

Your part was not found on any models.

  • If you feel this is in error or desire further assistance, please call us!

20014 - Toro 22" Recycler Walk-Behind Mower (SN: 220000001 - 220300000) (2002)

Engine Assembly Tecumseh Model LEV120-361561B

20014 - Toro 22" Recycler Walk-Behind Mower (SN: 220300001 - 220999999) (2002)

Engine Assembly Tecumseh Model LEV120-361561B

20018 - Toro 22" Recycler Walk-Behind Mower (SN: 220000001 - 220300000) (2002)

Engine Assembly Tecumseh Model LEV120-361561B

20018 - Toro 22" Recycler Walk-Behind Mower (SN: 220300001 - 220999999) (2002)

Engine Assembly Tecumseh Model LEV120-361561B