Toro Consumer 66-7780  DISCONTINUED

Toro 66-7780 DISCONTINUED

Toro 66-7780

DISCONTINUED
(Superseded to 66-6980-01)

$

$

Not available

Models that Use this Part

Your part was not found on any models.

  • If you feel this is in error or desire further assistance, please call us!

38500 (624) - Toro 24" Power Shift Snow Thrower (SN: 009000001 - 009999999) (1989)

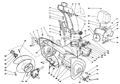
HOUSING & CHUTE ASSEMBLY

38505 (624) - Toro 24" Power Shift Snow Thrower (SN: 000000001 - 000999999) (1990)

HOUSING & CHUTE ASSEMBLY

38505 (624) - Toro 24" Power Shift Snow Thrower (SN: 009000001 - 009999999) (1989)

HOUSING & CHUTE ASSEMBLY

38510 (624) - Toro 24" Power Shift Snow Thrower (SN: 009000001 - 009999999) (1989)

HOUSING AND CHUTE ASSEMBLY

38513 (624) - Toro 24" Power Shift Snow Thrower (SN: 009000001 - 009999999) (1989)

HOUSING AND CHUTE ASSEMBLY

38540 (824) - Toro 24" Power Shift Snow Thrower (SN: 009000001 - 009999999) (1989)

HOUSING & CHUTE ASSEMBLY

38543 (824) - Toro 24" Power Shift Snow Thrower (SN: 009000001 - 009999999) (1989)

HOUSING & CHUTE ASSEMBLY

38565 (1132) - Toro 32" Power Shift Snow Thrower (SN: 009000001 - 009999999) (1989)

HOUSING & CHUTE ASSEMBLY

38573 (828) - Toro 28" Power Shift Snow Thrower (SN: 009000001 - 009999999) (1989)

HOUSING & CHUTE ASSEMBLY

38580 (1132) - Toro 32" Power Shift Snow Thrower (SN: 009000001 - 009999999) (1989)

HOUSING & CHUTE ASSEMBLY