Toro Consumer 67-5790  DISCONTINUED

Toro 67-5790 DISCONTINUED

Toro 67-5790

DISCONTINUED
(Superseded to )

$

$

Not available

Models that Use this Part

Your part was not found on any models.

  • If you feel this is in error or desire further assistance, please call us!

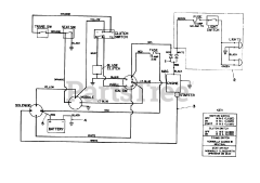
57400 - Toro Lawn Tractor, 12hp (SN: 008000001 - 008999999) (1988)

Electrical Diagram

57410 - Toro Lawn Tractor, 12hp (SN: 008000001 - 008999999) (1988)

Electrical Diagram

57420 (12-44) - Toro Lawn Tractor, 12hp (SN: 008000001 - 008999999) (1988)

Electrical Diagram

57430 (12-44) - Toro Pro Lawn Tractor (SN: 008000001 - 008999999) (1988)

Electrical Diagram