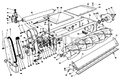
Toro Consumer 67-6090  32 INCH DECK ASM

Toro 67-6090 32 INCH DECK ASM

Toro 67-6090

32 INCH DECK ASM
(Superseded to 14-5079)

62.00 lbs.

$

$

Not available

Models that Use this Part

Your part was not found on any models.

  • If you feel this is in error or desire further assistance, please call us!

30133 - Toro 32" Recycler Mower Deck (SN: 008000001 - 008999999) (1988)

Cutting Unit Assembly

30133 - Toro 32" Recycler Mower Deck (SN: 009000001 - 009999999) (1989)

Cutting Unit Assembly