Toro Consumer 77-2800  SEE LCE HD #39

Toro 77-2800 SEE LCE HD #39

Toro 77-2800

SEE LCE HD #39
(Superseded to 12-8099)

$

$

Not available

Models that Use this Part

Your part was not found on any models.

  • If you feel this is in error or desire further assistance, please call us!

20911 B - Toro 48cm Rear Bagging Walk-Behind Mower (SN: 010000001 - 019999999) (1991)

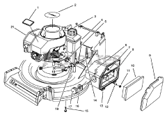
Engine Assembly (model No. 20911b)

20911 B - Toro 48cm Rear Bagging Walk-Behind Mower (SN: 020000001 - 029999999) (1992)

Engine Assembly (model No. 20911b)

20912 B - Toro 48cm Rear Bagging Walk-Behind Mower (SN: 039000001 - 039999999) (1993)

Engine Assembly

20916 B - Toro 48cm Rear Bagging Walk-Behind Mower (SN: 010000001 - 019999999) (1991)

Engine Assembly (model No. 20911b)

20916 B - Toro 48cm Rear Bagging Walk-Behind Mower (SN: 020000001 - 029999999) (1992)

Engine Assembly (model No. 20911b)

20916 B - Toro 48cm Rear Bagging Walk-Behind Mower (SN: 039000001 - 039999999) (1993)

Engine Assembly

20917 B - Toro 48cm Rear Bagging Walk-Behind Mower (SN: 039000001 - 039999999) (1993)

Engine Assembly

26640 B - Toro Walk-Behind Mower (SN: 039000001 - 039999999) (1993)

Engine Assembly

26640 B - Toro Walk-Behind Mower (SN: 049000001 - 049999999) (1994)

Engine Assembly

26640 BC - Toro Walk-Behind Mower (SN: 059000001 - 059999999) (1995)

Engine Assembly