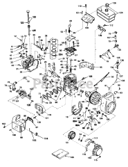
Toro Consumer 7888  CHOKE CONTROL ASSY

  • TLB 102118 - TLB 102118 (Slide 1 of 1)

Toro 7888

CHOKE CONTROL ASSY
(Superseded to 102118)

0.30 lbs.

$53.99

$

Usually ships in 3-6 days

0

Models that Use this Part

Your part was not found on any models.

  • If you feel this is in error or desire further assistance, please call us!

1-3631 - Toro 500 Special Lawn Tractor (1968)

Parts List "500 Special" Tractor

1-3741 - Toro WorkHorse 700 Lawn Tractor (1969)

Parts List Workhorse "700" Tractor

1-3745 - Toro WorkHorse 700 Lawn Tractor (1969)

Parts List Workhorse "700" Tractor

1-6041 - Toro Raider 10 Lawn Tractor (1970)

Tractor Parts List

1-6051 - Toro Raider 10 Lawn Tractor (1970)

Raider 10 Tractors Supplemental Parts List

1-6251 - Toro Raider 12 Lawn Tractor (1970)

Raider 10 Tractors Supplemental Parts List

1-6252 - Toro Raider 12 Lawn Tractor (1970)

Raider 10 Tractors Supplemental Parts List

1-6253 - Toro Raider 12 Lawn Tractor (1970)

Raider 10 Tractors Supplemental Parts List

1-7041 - Toro Charger 10 Lawn Tractor (1969)

Tractor Parts List

38085 (824) - Toro 24" Snow Thrower (SN: 003000001 - 003999999) (1983)

Engine Tecumseh Model No. Hm 80-155169g