Toro Consumer 81-4580  DISCONTINUED

Toro 81-4580 DISCONTINUED

Toro 81-4580

DISCONTINUED
(Superseded to )

$

$

Not available

Models that Use this Part

Your part was not found on any models.

  • If you feel this is in error or desire further assistance, please call us!

20745 C - Toro Walk-Behind Mower (SN: 006000001 - 006999999) (1986)

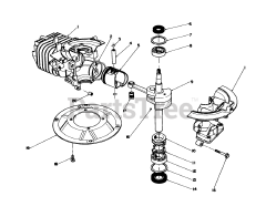
Carburetor Assembly

20745 C - Toro Walk-Behind Mower (SN: 007000001 - 007999999) (1987)

Carburetor Assembly (engine No. 47pg6)

20745 C - Toro Walk-Behind Mower (SN: 008000001 - 008999999) (1988)

Carburetor Assembly (engine No. 47pg6)

20746 C - Toro Walk-Behind Mower (SN: 008000001 - 008999999) (1988)

Crankshaft Assembly (engine No. 47ph7)