Toro Consumer 92-1695  DISCONTINUED

Toro 92-1695 DISCONTINUED

Toro 92-1695

DISCONTINUED
(Superseded to )

$

$

Not available

Models that Use this Part

Your part was not found on any models.

  • If you feel this is in error or desire further assistance, please call us!

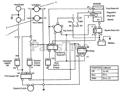
72081 (246-H) - Toro Yard Tractor (SN: 039000001 - 039999999) (1993)

Electrical Schematic

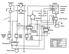
72101 (246-H) - Toro Yard Tractor (SN: 039000001 - 039999999) (1993)

Electrical Schematic