Toro Consumer 92-9810  DISCONTINUED

Toro 92-9810 DISCONTINUED

Toro 92-9810

DISCONTINUED
(Superseded to )

$

$

Not available

Models that Use this Part

Your part was not found on any models.

  • If you feel this is in error or desire further assistance, please call us!

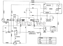
74140 (724-Z) - Toro Zero-Turn Mower, Drive Unit Only (SN: 049000001 - 049999999) (1994)

Electrical Schematic

74140 (724-Z) - Toro Zero-Turn Mower, Drive Unit Only (SN: 059000001 - 059999999) (1995)

Electrical Schematic