Toro Consumer NN10339  PLUG-CORE HOLE

Toro NN10339 PLUG-CORE HOLE

Toro NN10339

PLUG-CORE HOLE
(Superseded to 59-0760)

0.01 lbs.

$

$

Not available

Models that Use this Part

Your part was not found on any models.

  • If you feel this is in error or desire further assistance, please call us!

21-10K806 (310-8) - Toro Garden Tractor (1989)

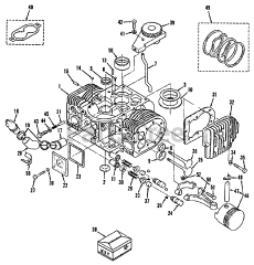
ONAN ENGINE CYLINDER BLOCK

21-12K806 (312-8) - Toro Garden Tractor (1989)

ONAN ENGINE CYLINDER BLOCK

31-10K801 (310-8) - Toro Garden Tractor (1990)

Engine Cylinder Block

31-12K801 (312-8) - Toro Garden Tractor (1990)

Engine Cylinder Block

31-12KE01 (312-H) - Toro Garden Tractor (1990)

Engine Cylinder Block

31-14K804 (414-8) - Toro Garden Tractor (1989)

ONAN ENGINE CYLINDER BLOCK

31-16O801 (416-8) - Toro Garden Tractor (1989)

ONAN ENGINE CYLINDER BLOCK

31-16O802 (416-8) - Toro Garden Tractor (1990)

Engine Cylinder Block

31-16OE01 (516-H) - Toro Garden Tractor (1988)

ENGINE CYLINDER BLOCK

31-18OE01 (518-H) - Toro Garden Tractor (1988)

ENGINE CYLINDER BLOCK

31-18OE02 (518-H) - Toro Garden Tractor (1989)

ENGINE CYLINDER BLOCK

31-20OE01 (520-H) - Toro Garden Tractor (1988)

ENGINE CYLINDER BLOCK

31-20OE02 (520-H) - Toro Garden Tractor (1989)

ENGINE CYLINDER BLOCK

41-16OE01 (416-H) - Toro Garden Tractor (1990)

Engine Cylinder Block

72040 (244-5) - Toro Yard Tractor (SN: 039000001 - 039999999) (1993)

OIL BASE & PUMP ASSEMBLY

72041 (244-H) - Toro Yard Tractor (SN: 039000001 - 039999999) (1993)

OIL BASE & PUMP ASSEMBLY

72060 (244-5) - Toro Yard Tractor (SN: 039000001 - 039999999) (1993)

OIL BASE & PUMP ASSEMBLY

C1-20OE01 (520-HC) - Toro Garden Tractor (1988)

ENGINE CYLINDER BLOCK

C1-20OE02 (520-HC) - Toro Garden Tractor (1989)

ENGINE CYLINDER BLOCK

R1-12K802 (312-8) - Toro Garden Tractor (1990)

ENGINE CYLINDER BLOCK

R1-16O802 (316-8) - Toro Garden Tractor (1990)

ENGINE CYLINDER BLOCK

Y1-12OE01 (612-Z) - Toro Zero-Turn Mower, Drive Unit Only (1990)

ENGINE CYLINDER BLOCK-616-Z

Y1-12OE02 (612-Z) - Toro Zero-Turn Mower, Drive Unit Only (SN: 010000001 - 019999999) (1991)

OIL BASE AND OIL PUMP-612-Z

Y1-16OE01 (616-Z) - Toro Zero-Turn Mower, Drive Unit Only (1989)

SECTION 9-ENGINE CYLINDER BLOCK

Y1-16OE02 (616-Z) - Toro Zero-Turn Mower, Drive Unit Only (1990)

ENGINE CYLINDER BLOCK-616-Z

Don’t see your model? Add key terms into the filter above to refine your search results.