Toro Consumer NN10610  See Supercession: 92-5885

Toro NN10610 See Supercession: 92-5885

Toro NN10610

See Supercession: 92-5885
(Superseded to 92-5885)

$

$

Not available

Models that Use this Part

Your part was not found on any models.

  • If you feel this is in error or desire further assistance, please call us!

22-14O501 (244-5) - Toro Yard Tractor (SN: 010000001 - 019999999) (1991)

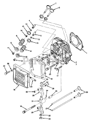
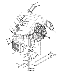
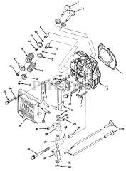
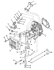
14HP ENGINE CYLINDER HEAD & VALVES ASSEMBLY

22-14O502 (244-5) - Toro Yard Tractor (SN: 020000001 - 029999999) (1992)

14HP ENGINE CYLINDER HEAD & VALVES ASSEMBLY

22-14OE01 (244-H) - Toro Yard Tractor (SN: 010000001 - 019999999) (1991)

14HP ENGINE CYLINDER HEAD & VALVES ASSEMBLY

22-14OE02 (244-H) - Toro Yard Tractor (SN: 020000001 - 029999999) (1992)

14HP ENGINE CYLINDER HEAD & VALVES ASSEMBLY

32-10B501 (210-5) - Toro Lawn Tractor (1990)

CYLINDER HEAD AND VALVES

32-10B502 (210-5) - Toro Lawn Tractor (SN: 010000001 - 019999999) (1991)

12HP ENGINE CYLINDER HEAD & VALVES ASSEMBLY

32-10B503 (210-5) - Toro Lawn Tractor (SN: 020000001 - 029999999) (1992)

12.5HP ENGINE CYLINDER HEAD & VALVES ASSEMBLY

32-10BE01 (210-H) - Toro Lawn Tractor (1990)

CYLINDER HEAD AND VALVES

32-10BE02 (210-H) - Toro Lawn Tractor (SN: 010000001 - 019999999) (1991)

12HP ENGINE CYLINDER HEAD & VALVES ASSEMBLY

32-10BE03 (210-H) - Toro Lawn Tractor (SN: 020000001 - 029999999) (1992)

12.5HP ENGINE CYLINDER HEAD & VALVES ASSEMBLY

32-1205A1 (212-5) - Toro Lawn Tractor (SN: 010000001 - 019999999) (1991)

12HP ENGINE CYLINDER HEAD AND VALVES ASSEMBLY

32-120EA1 (212-H) - Toro Lawn Tractor (SN: 010000001 - 019999999) (1991)

12HP ENGINE CYLINDER HEAD AND VALVES ASSEMBLY

32-12O501 (212-5) - Toro Lawn Tractor (1990)

CYLINDER HEAD AND VALVES

32-12O502 (212-5) - Toro Lawn Tractor (SN: 010000001 - 019999999) (1991)

12HP ENGINE CYLINDER HEAD & VALVES ASSEMBLY

32-12O503 (212-5) - Toro Lawn Tractor (SN: 020000001 - 029999999) (1992)

12.5HP ENGINE CYLINDER HEAD & VALVES ASSEMBLY

32-12OE01 (212-H) - Toro Lawn Tractor (1990)

CYLINDER HEAD AND VALVES

32-12OE02 (212-H) - Toro Lawn Tractor (SN: 010000001 - 019999999) (1991)

12HP ENGINE CYLINDER HEAD & VALVES ASSEMBLY

32-12OE03 (212-H) - Toro Lawn Tractor (SN: 020000001 - 029999999) (1992)

12.5HP ENGINE CYLINDER HEAD & VALVES ASSEMBLY

R2-12O501 (212-5) - Toro Garden Tractor (SN: 010000001 - 019999999) (1991)

12HP ENGINE CYLINDER HEAD & VALVES ASSEMBLY

R2-12OE01 (212-H) - Toro Garden Tractor (SN: 010000001 - 019999999) (1991)

12HP ENGINE CYLINDER HEAD & VALVES ASSEMBLY