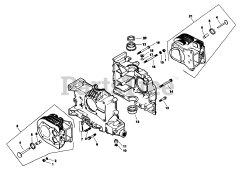
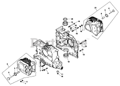
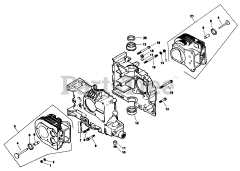
Toro Consumer X-352-33  Stud

Toro X-352-33 Stud

Toro X-352-33

Stud
(Superseded to )

$

$

Currently unavailable

Models that Use this Part

Your part was not found on any models.

  • If you feel this is in error or desire further assistance, please call us!

30117 - Toro ProLine Walk-Behind Mower, Gear Drive, 16hp (SN: 000000001 - 000999999) (1990)

Crankcase-Engine Kohler Model No. Mv16s-Type 56511

30117 - Toro ProLine Walk-Behind Mower, Gear Drive, 16hp (SN: 010000001 - 019999999) (1991)

Crankcase-Engine Kohler Model No. Mv16s-Type 56511

30180 - Toro ProLine Walk-Behind Mower, Gear Drive, 16hp (SN: 010000001 - 019999999) (1991)

Crankcase-Engine Kohler Model No. Mv16s-Type 56511

55620 (HMR-1600) - Toro Lawn Tractor (SN: 009000001 - 009999999) (1989)

Engine Kohler Model No. Mv16s-Type 56511 3

55660 - Toro 44" Side-Discharge Mower Deck (1990)

Engine Kohler Model No. Mv16s-Type 56511 3

55670 - Toro 52" Side-Discharge Mower Deck (SN: 000000001 - 000999999) (1990)

Engine Kohler Model No. Mv16s-Type 56511 3