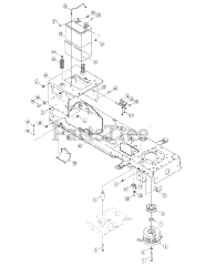
Troy-Bilt 756-0978A  Engine Pulley

  • CUB 756-0978B - PRIMARY (Slide 1 of 1)

Troy-Bilt 756-0978A

Engine Pulley
(Superseded to 756-0978B)
Description... Hide
The purpose of the Pulley or Sheave is to ensure smooth movement of the belts within your equipment or engine. Symptoms of a bad or failing pulley could include squealing during operations and sluggish or slipping belts. If you find damage to a pulley, like metal burrs or dents, also inspect the associated shaft and bearing for similar signs of impact or abrasion. When you replace a pulley, strongly consider replacing the associated belt so that you get the maximum performance improvement.

$70.99

$

In Stock, Qty 20+

0

Models that Use this Part

Your part was not found on any models.

  • If you feel this is in error or desire further assistance, please call us!

14AQ81TK766 - Troy-Bilt Big Red 54" Garden Tractor (2006)

Battery and Frame

17AA5AAG766 - Troy-Bilt RZT 42" Zero-Turn Mower (2006)

Engine Accessories and PTO RZT 42

17AA5ABP766 - Troy-Bilt RZT 50" Zero-Turn Mower (2006)

Engine Accessories and PTO RZT 50