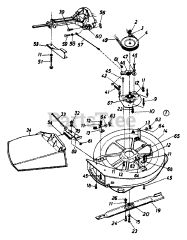
White Outdoor 15626B  GUARD-BELT-LOWER

White Outdoor 15626B GUARD-BELT-LOWER

White Outdoor 15626B

GUARD-BELT-LOWER
(Superseded to 15626B-0637)

White Outdoor 15626B-0637

GUARD-BELT-LOWER - POWDER BLACK (0637)
Description... Hide

$

$

Not available

$

$

Not available

Models that Use this Part

Your part was not found on any models.

  • If you feel this is in error or desire further assistance, please call us!

R-10 (132-521B190) - White Outdoor 30" Rear-Engine Riding Mower (1992)

30" S.D. Deck Ass'y

R-10 (133B561B190) - White Outdoor 30" Rear-Engine Riding Mower (1993)

Deck, Chute And Blade Spindle Assembly

R-10 (135B561B190) - White Outdoor 30" Rear-Engine Riding Mower (1995)

Deck Assembly