White Outdoor 17457  LEVER-SPEED SELECTOR

White Outdoor 17457 LEVER-SPEED SELECTOR

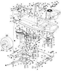
White Outdoor 17457

LEVER-SPEED SELECTOR
(Superseded to 17457B)

$

$

Not available

Models that Use this Part

Your part was not found on any models.

  • If you feel this is in error or desire further assistance, please call us!

L-10 (130-425E190) - White Outdoor 36" Lawn Tractor (1990)

Drive Mounting Assembly

L-11 (139-347-190) - White Outdoor 32" Lawn Tractor (1989)

Drive Mounting Assembly

L-8 (130-317D190) - White Outdoor 32" Lawn Tractor (1990)

Drive Mounting Assembly

L-8 (131-317D190) - White Outdoor 32" Lawn Tractor (1991)

Drive Mounting Assembly