White Outdoor 742-0487  No Longer Available

White Outdoor 742-0487 No Longer Available

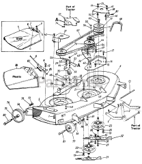
White Outdoor 742-0487

No Longer Available
(Superseded to )

$

$

Not available

Models that Use this Part

Your part was not found on any models.

  • If you feel this is in error or desire further assistance, please call us!

190-806-190 - White Outdoor 46" Mower Deck, Side Discharge (1988)

46" Mowing Deck

190-806-190 - White Outdoor 46" Mower Deck, Side Discharge (1989)

46" Mowing Deck Assembly

190-846-190 - White Outdoor 46" Mower Deck, Side Discharge (1989)

46" Mowing Deck Assembly

GT-180 (140-846H190) - White Outdoor 46" Garden Tractor (1990)

Deck Assembly

GT-180 (141-846H190) - White Outdoor 46" Garden Tractor (1991)

46" Mowing Deck Assembly

GT-180 (142-856H190) - White Outdoor 46" Garden Tractor (1992)

46" Mower Deck

GT-180 (149-816-190) - White Outdoor 46" Garden Tractor (1989)

46" Mowing Deck Assembly

GT-185 (132-836H190) - White Outdoor 46" Garden Tractor (1992)

46" Mower Deck

L-11 (139-347-190) - White Outdoor 32" Lawn Tractor (1989)

Deck Assembly

L-8 (130-317D190) - White Outdoor 32" Lawn Tractor (1990)

Deck Assembly

L-8 (131-317D190) - White Outdoor 32" Lawn Tractor (1991)

Deck Assembly

LGT-160 (139-756-190) - White Outdoor 46" Lawn Tractor (1989)

46" Mowing Deck Assembly

LGT-165 (130-826H190) - White Outdoor 46" Lawn Tractor (1990)

Deck Assembly

LGT-165 (131-826H190) - White Outdoor 46" Lawn Tractor (1991)

46" Mowing Deck Assembly

LGT-165 (139-786-190) - White Outdoor 46" Lawn Tractor (1989)

46" Mowing Deck Assembly

R-10 (130-521D190) - White Outdoor 30" Rear-Engine Riding Mower (1990)

32" Side Discharge Mowing Deck Assembly