White Outdoor 757-04001  Low Back Seat, Black

White Outdoor 757-04001

Low Back Seat, Black
(Superseded to 957-04037)

17.70 in.

17.25 in.

11.55 in.

5.46 lbs.

$

$

Not available

Models that Use this Part

Your part was not found on any models.

  • If you feel this is in error or desire further assistance, please call us!

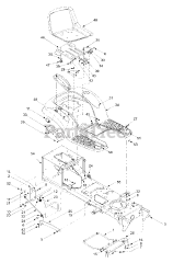
LT-1855 (13AJ606G790) - White Outdoor 42" Lawn Tractor (2004)

Fender, Seat, Deck Stabilizer