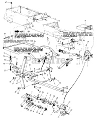
White Outdoor 784-5093  Drive Shaft Cover

White Outdoor 784-5093 Drive Shaft Cover

White Outdoor 784-5093

Drive Shaft Cover
(Superseded to )

$

$

Not available

Models that Use this Part

Your part was not found on any models.

  • If you feel this is in error or desire further assistance, please call us!

190-985-190 - White Outdoor 54" Snow Blade (1992)

Universal Drive Shaft & Cross Shaft Assemblies

190-990-190 - White Outdoor 45" Snow Thrower Attachment (1987)

Thrower Mounting Assembly

190-990-190 - White Outdoor 45" Snow Thrower Attachment (1988)

45" Snow Thrower Drive Assembly

190-990-190 - White Outdoor 45" Snow Thrower Attachment (1993)

Universal Drive Shaft & Cross Shaft Assemblies

190-990-190 - White Outdoor 45" Snow Thrower Attachment (1994)

Snow Thrower Illustration (Part 2)

190-990-190 - White Outdoor 45" Snow Thrower Attachment (1995)

Tongue & Gear Box Assembly