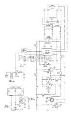
1315-0 - Generac EXL 7,500 Watt Portable Generator Parts & Diagrams Parts Lists & Diagrams

EXL 7,500 Watt Portable Generator

1315-0 - Generac EXL 7,500 Watt Portable Generator > Parts Diagrams (5)