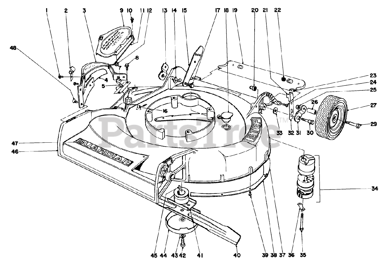
18257 - Toro Guardian Walk-Behind Mower (SN: 002000001 - 002999999) (1972) Housing Assembly Model No. 18257 Parts Diagram

Guardian Walk-Behind Mower

Housing Assembly Model No. 18257 Parts Diagram

  • Title
1

$

$

Currently unavailable

2

Toro 12-1170

DISCONTINUED

$

$

Not available

3

Toro 12-1160

Deflector (Incl. Ref. Nos. 1-4)

$

$

Currently unavailable

4

Toro 10-8960

DefIector Bar

$

$

Currently unavailable

5

Toro 12-4940

DISCONTINUED

$

$

Not available

7

Toro 12-4930

DISCONTINUED

$

$

Not available

8

$

$

Currently unavailable

9

Toro 8-5760

Deflector Cover (Incl. Ref. Nos. 11 12)

$

$

Currently unavailable

10

Toro 12-5450

SCREW

$10.99

$

Usually ships in 3-6 days

0

11

Toro 8-5250

Hinge Pin

$

$

Currently unavailable

12

Toro 3295-22

Rivet

$

$

Currently unavailable

13

Toro 8-4260

See Supercession: 98-1527
(Superseded to 98-1527)

$

$

Not available

14

Toro 3-3287

SPACER

$5.49

$

In Stock, Qty 11

0

15

Toro 8-6910

See Supercession: 43-1550
(Superseded to 43-1550)

$

$

Not available

16

$

$

Currently unavailable

17

Toro 5-2490

SCREW-SHOULDER

$

$

Not available

18

Toro 6-4500

WASHOUT PLUG

$

$

Not available

19

Toro 8-6070

DISCONTINUED

$

$

Not available

20

Toro 12-2080

HANDLE PIVOT NUT

$27.99

$

Usually ships in 3-6 days

0

21

Toro 8-4220

See Supercession: 25-7740
(Superseded to 25-7740)

$5.49

$

In Stock, Qty 20+

0

22

Toro 5-6450

DISCONTINUED

$

$

Not available

23

Toro 8-6080

DISCONTINUED

$

$

Not available

24

Toro 8-6160

DISCONTINUED

$

$

Not available

25

Toro 32146-12

See Supercession: 3296-6
(Superseded to 3296-6)

$1.99

$

In Stock, Qty 20+

0

26

Toro 3-2664

DISCONTINUED

$

$

Not available

27

Toro 8-5880

DISCONTINUED XREF

$

$

Not available

29

$

$

Not available

30

Toro 3-0655

5/16-18 PIVOT SCREW

$16.99

$

In Stock, only 1 left!

0

31

Toro 8-4280

See Supercession: 98-1511
(Superseded to 98-1511)

$

$

Not available

32

Toro 8-3840

See Supercession: 23-0400
(Superseded to 23-0400)

$

$

Not available

33

Toro 5-4460

WASHER-PIVOT

$8.49

$

In Stock, Qty 20+

0

34

Toro 5-4769

MUFFLER ASM

$67.99

$

Usually ships in 3-6 days

0

35

Toro 321-20

SCREW-HH

$7.99

$

Usually ships in 3-6 days

0

36

Toro 3-5094

CLIP - LOCKING

$12.99

$

Usually ships in 3-6 days

0

37

Toro 8-5540

DISCONTINUED

$

$

Not available

38

Toro 8-5560

Secondary Skirt

$

$

Currently unavailable

39

Toro 32144-12

DISCONTINUED

$

$

Not available

40

Toro 8-5240

DISCONTINUED
(Superseded to 8-5240-03)

$

$

Not available

41

Toro 8-5370

BLADE RETAINER WA

$121.99

$

Usually ships in 3-6 days

0

42

Toro 3-5246

DISCONTINUED

$

$

Not available

43

Toro 3253-22

WASHER-LOCK

$2.99

$

In Stock, only 2 left!

0

44

Toro 8-4240

See Supercession: 80-2770
(Superseded to 80-2770)

$19.99

$

In Stock, only 1 left!

0

45

Toro 3257-3

KEY-WOODRUFF

$1.49

$

In Stock, Qty 5

0

46

Toro 5-2849

Housing (Incl . Ref. 51-53)

$

$

Currently unavailable

47

Toro 12-5020

Emblem

$

$

Currently unavailable

48

Toro 11-3010

DISCONTINUED

$

$

Not available

Toro 11-9320

Loose Parts Bag

Note: Not illustrated

$

$

Currently unavailable