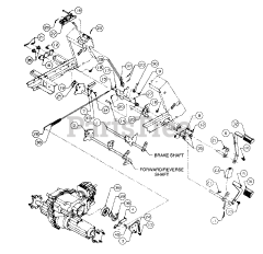
2185 (136-288-100) - Cub Cadet Garden Tractor (SN: 326006 - 389000) Parts & Diagrams Parts Lists & Diagrams

Garden Tractor