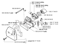
250 R - Husqvarna String Trimmer (2001-05) Parts & Diagrams Parts Lists & Diagrams

String Trimmer