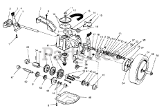
26631 BC - Toro Walk-Behind Mower (SN: 059000001 - 059999999) (1995) Parts & Diagrams Parts Lists & Diagrams

Walk-Behind Mower