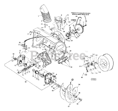
31AE993I401 - Yard-Man Snow Thrower (1999) Parts & Diagrams Parts Lists & Diagrams

Snow Thrower

31AE993I401 - Yard-Man Snow Thrower (1999) > Parts Diagrams (4)