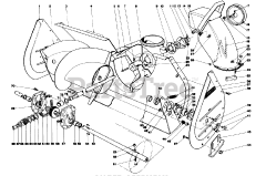
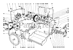
38160 (1132) - Toro Snow Thrower (SN: 009000001 - 009999999) (1979) Parts & Diagrams Parts Lists & Diagrams

Snow Thrower