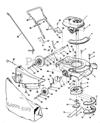
5002 - Lawn-Boy Walk-Behind Mower (SN: 800000001 - 899999999) (1968) Parts & Diagrams Parts Lists & Diagrams

Walk-Behind Mower

5002 - Lawn-Boy Walk-Behind Mower (SN: 800000001 - 899999999) (1968) > Parts Diagrams (58)