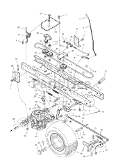
552547 (425624x190A) - Masport 42" Lawn Tractor (2006) Parts & Diagrams Parts Lists & Diagrams

42" Lawn Tractor