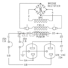
580.323300 (1800-0) - Craftsman 3,000 Watt Portable Generator Parts & Diagrams Parts Lists & Diagrams

3,000 Watt Portable Generator

580.323300 (1800-0) - Craftsman 3,000 Watt Portable Generator > Parts Diagrams (4)