61-16OS02 (D-160) - Toro Lawn Tractor (1976) Onan 16 Hp Engine (model #bf-Ms/2929 E)(cylinder Block Group) Parts Diagram

Lawn Tractor

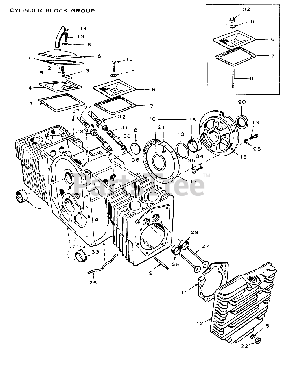
Onan 16 Hp Engine (model #bf-Ms/2929 E)(cylinder Block Group) Parts Diagram

  • Title
1

Toro 201001

DISCONTINUED

Note: These parts may be ordered under these Wheel Horse Part Numbers, and are available through the Wheel Horse Distribution System.

$

$

Not available

1

Toro 201001

DISCONTINUED

Note: Included in Cylinder Block Assembly.

$

$

Not available

2

Toro 201002

DISCONTINUED
(Superseded to 57-8550)

Note: These parts may be ordered under these Wheel Horse Part Numbers, and are available through the Wheel Horse Distribution System.

$

$

Not available

3

Toro 201003

DISCONTINUED
(Superseded to 57-8560)

Note: These parts may be ordered under these Wheel Horse Part Numbers, and are available through the Wheel Horse Distribution System.

$

$

Not available

4

Toro 201004

DISCONTINUED
(Superseded to 59-0310)

Note: These parts may be ordered under these Wheel Horse Part Numbers, and are available through the Wheel Horse Distribution System.

$

$

Not available

5

WASHER, FLAT

Note: These parts may be ordered under these Wheel Horse Part Numbers, and are available through the Wheel Horse Distribution System.

$

$

Not available

Toro 201005

Breather Valve (1/4"-Steel)

Note: These parts may be ordered under these Wheel Horse Part Numbers, and are available through the Wheel Horse Distribution System.

$

$

Currently unavailable

Toro 201006

See Supercession: 57-9740
(Superseded to 57-9740)

Note: These parts may be ordered under these Wheel Horse Part Numbers, and are available through the Wheel Horse Distribution System.

$

$

Not available

Toro 201007

Washer, Cyl Head Screws 5/16 in

Note: These parts may be ordered under these Wheel Horse Part Numbers, and are available through the Wheel Horse Distribution System.

$

$

Currently unavailable

6

COVER, VALVE COMPARTMENT

Note: These parts may be ordered under these Wheel Horse Part Numbers, and are available through the Wheel Horse Distribution System.

$

$

Not available

Toro 201008

DISCONTINUED

Note: These parts may be ordered under these Wheel Horse Part Numbers, and are available through the Wheel Horse Distribution System.

$

$

Not available

Toro 201009

DISCONTINUED
(Superseded to 59-0150)

Note: These parts may be ordered under these Wheel Horse Part Numbers, and are available through the Wheel Horse Distribution System.

$

$

Not available

7

Toro 201010

Valve Cover Gasket
(Superseded to 57-8280)

Note: These parts may be ordered under these Wheel Horse Part Numbers, and are available through the Wheel Horse Distribution System.

$27.99

$

In Stock, only 1 left!

0

8

Toro 201011

See Supercession: 57-9690
(Superseded to 57-9690)

Note: These parts may be ordered under these Wheel Horse Part Numbers, and are available through the Wheel Horse Distribution System.

$18.99

$

Usually ships in 3-6 days

0

8

Toro 201011

See Supercession: 57-9690
(Superseded to 57-9690)

Note: Included in Cylinder Block Assembly.

$18.99

$

Usually ships in 3-6 days

0

9

Stud

Note: These parts may be ordered under these Wheel Horse Part Numbers, and are available through the Wheel Horse Distribution System.

$

$

Not available

Toro 201013

DISCONTINUED

Note: These parts may be ordered under these Wheel Horse Part Numbers, and are available through the Wheel Horse Distribution System.

$

$

Not available

Toro 201014

STUD-CYL HEAD

Note: These parts may be ordered under these Wheel Horse Part Numbers, and are available through the Wheel Horse Distribution System.

$8.49

$

Usually ships in 3-6 days

0

10

Toro 201015

See Supercession: 57-8170
(Superseded to 57-8170)

Note: These parts may be ordered under these Wheel Horse Part Numbers, and are available through the Wheel Horse Distribution System.

$

$

Not available

10

Toro 201015

See Supercession: 57-8170
(Superseded to 57-8170)

Note: Included in Cylinder Block Assembly.

$

$

Not available

11

Toro 201016

DISCONTINUED

Note: These parts may be ordered under these Wheel Horse Part Numbers, and are available through the Wheel Horse Distribution System.

$

$

Not available

12

HEAD, CYLINDER

Note: These parts may be ordered under these Wheel Horse Part Numbers, and are available through the Wheel Horse Distribution System.

$

$

Not available

Toro 201017

DISCONTINUED

Note: These parts may be ordered under these Wheel Horse Part Numbers, and are available through the Wheel Horse Distribution System.

$

$

Not available

Toro 201018

DISCONTINUED

Note: These parts may be ordered under these Wheel Horse Part Numbers, and are available through the Wheel Horse Distribution System.

$

$

Not available

13

SCREW, HEX CAP

Note: These parts may be ordered under these Wheel Horse Part Numbers, and are available through the Wheel Horse Distribution System.

$

$

Not available

Toro 201282

*Cap Screw-Bearing Plate

Note: These parts may be ordered under these Wheel Horse Part Numbers, and are available through the Wheel Horse Distribution System.

$

$

Currently unavailable

Toro 201282

*Cap Screw-Bearing Plate

Note: Included in Cylinder Block Assembly.

$

$

Currently unavailable

Toro 201283

Cap Screw-Valve Cover
(Superseded to 742849)

Note: These parts may be ordered under these Wheel Horse Part Numbers, and are available through the Wheel Horse Distribution System.

$

$

Not available

14

Toro 201019

DISCONTINUED

Note: These parts may be ordered under these Wheel Horse Part Numbers, and are available through the Wheel Horse Distribution System.

$

$

Not available

15

BEARING, CRANKSHAFT-REAR

Note: These parts may be ordered under these Wheel Horse Part Numbers, and are available through the Wheel Horse Distribution System.

$

$

Not available

Toro 201020

Standard
(Superseded to 57-8050)

Note: These parts may be ordered under these Wheel Horse Part Numbers, and are available through the Wheel Horse Distribution System.

$275.99

$

Usually ships in 3-6 days

0

Toro 201020

Standard
(Superseded to 57-8050)

Note: Included in Cylinder Block Assembly.

$275.99

$

Usually ships in 3-6 days

0

Toro 201021

.002" Undersize

Note: These parts may be ordered under these Wheel Horse Part Numbers, and are available through the Wheel Horse Distribution System.

$

$

Currently unavailable

Toro 201022

.010" Undersize

Note: These parts may be ordered under these Wheel Horse Part Numbers, and are available through the Wheel Horse Distribution System.

$

$

Currently unavailable

Toro 201023

.020" Undersize

Note: These parts may be ordered under these Wheel Horse Part Numbers, and are available through the Wheel Horse Distribution System.

$

$

Currently unavailable

Toro 201024

.030" Undersize

Note: These parts may be ordered under these Wheel Horse Part Numbers, and are available through the Wheel Horse Distribution System.

$

$

Not available

16

Toro 201025

See Supercession: 57-8160
(Superseded to 57-8160)

Note: These parts may be ordered under these Wheel Horse Part Numbers, and are available through the Wheel Horse Distribution System.

$

$

Not available

16

Toro 201025

See Supercession: 57-8160
(Superseded to 57-8160)

Note: Included in Cylinder Block Assembly.

$

$

Not available

16

Toro 201025

See Supercession: 57-8160
(Superseded to 57-8160)

Note: Replacement front flange, bearing replaces unflanged bearing and thrust washer.

$

$

Not available

17

Toro 201026

See Supercession: 57-8010
(Superseded to 57-8010)

Note: Included in Cylinder Block Assembly.

$32.99

$

In Stock, only 2 left!

0

17

Toro 201026

See Supercession: 57-8010
(Superseded to 57-8010)

Note: These parts may be ordered under these Wheel Horse Part Numbers, and are available through the Wheel Horse Distribution System.

$32.99

$

In Stock, only 2 left!

0

18

Toro 201027

DISCONTINUED

Note: These parts may be ordered under these Wheel Horse Part Numbers, and are available through the Wheel Horse Distribution System.

$

$

Not available

18

Toro 201027

DISCONTINUED

Note: Included in Cylinder Block Assembly.

$

$

Not available

19

Toro 201028

See Supercession: 57-8000
(Superseded to 57-8000)

Note: Included in Cylinder Block Assembly.

$

$

Not available

19

Toro 201028

See Supercession: 57-8000
(Superseded to 57-8000)

Note: These parts may be ordered under these Wheel Horse Part Numbers, and are available through the Wheel Horse Distribution System.

$

$

Not available

20

Toro 201029

See Supercession: 57-9590
(Superseded to 57-9590)

Note: These parts may be ordered under these Wheel Horse Part Numbers, and are available through the Wheel Horse Distribution System.

$94.99

$

In Stock, only 1 left!

0

20

Toro 201029

See Supercession: 57-9590
(Superseded to 57-9590)

Note: Included in Cylinder Block Assembly.

$94.99

$

In Stock, only 1 left!

0

21

Toro 201030

Pin-Main Bearing Stop
(Superseded to 59-0730)

Note: Included in Cylinder Block Assembly.

$

$

Not available

21

Toro 201030

Pin-Main Bearing Stop
(Superseded to 59-0730)

Note: These parts may be ordered under these Wheel Horse Part Numbers, and are available through the Wheel Horse Distribution System.

$

$

Not available

22

Nut

Note: These parts may be ordered under these Wheel Horse Part Numbers, and are available through the Wheel Horse Distribution System.

$

$

Not available

Toro 201284

Cylinder Head-Hex (5/16-24)

Note: These parts may be ordered under these Wheel Horse Part Numbers, and are available through the Wheel Horse Distribution System.

$

$

Currently unavailable

23

Toro 201031

See Supercession: 82-0070
(Superseded to 82-0070)

Note: These parts may be ordered under these Wheel Horse Part Numbers, and are available through the Wheel Horse Distribution System.

$

$

Not available

24

Tappet, Valve

Note: These parts may be ordered under these Wheel Horse Part Numbers, and are available through the Wheel Horse Distribution System.

$

$

Not available

Toro 201032

DISCONTINUED
(Superseded to 57-8450)

Note: These parts may be ordered under these Wheel Horse Part Numbers, and are available through the Wheel Horse Distribution System.

$

$

Not available

Toro 201033

.001" Oversize

Note: These parts may be ordered under these Wheel Horse Part Numbers, and are available through the Wheel Horse Distribution System.

$

$

Currently unavailable

Toro 201034

.002" Oversize

Note: These parts may be ordered under these Wheel Horse Part Numbers, and are available through the Wheel Horse Distribution System.

$

$

Currently unavailable

Toro 201035

.005" Oversize

Note: These parts may be ordered under these Wheel Horse Part Numbers, and are available through the Wheel Horse Distribution System.

$

$

Currently unavailable

25

Toro 201036

*Lockwasher-Rear Bearing Plate

Note: These parts may be ordered under these Wheel Horse Part Numbers, and are available through the Wheel Horse Distribution System.

$

$

Currently unavailable

25

Toro 201036

*Lockwasher-Rear Bearing Plate

Note: Included in Cylinder Block Assembly.

$

$

Currently unavailable

26

Toro 201037

DISCONTINUED

Note: Included in Cylinder Block Assembly.

$

$

Not available

26

Toro 201037

DISCONTINUED

Note: These parts may be ordered under these Wheel Horse Part Numbers, and are available through the Wheel Horse Distribution System.

$

$

Not available

27

Valve

Note: These parts may be ordered under these Wheel Horse Part Numbers, and are available through the Wheel Horse Distribution System.

$

$

Not available

Toro 201038

DISCONTINUED

Note: These parts may be ordered under these Wheel Horse Part Numbers, and are available through the Wheel Horse Distribution System.

$

$

Not available

Toro 201039

DISCONTINUED

Note: These parts may be ordered under these Wheel Horse Part Numbers, and are available through the Wheel Horse Distribution System.

$

$

Not available

28

Insert, Valve Seat-Exhaust

Note: These parts may be ordered under these Wheel Horse Part Numbers, and are available through the Wheel Horse Distribution System.

$

$

Not available

Toro 201040

See Supercession: 59-0100
(Superseded to 59-0100)

Note: These parts may be ordered under these Wheel Horse Part Numbers, and are available through the Wheel Horse Distribution System.

$

$

Not available

Toro 201040

See Supercession: 59-0100
(Superseded to 59-0100)

Note: Included in Cylinder Block Assembly.

$

$

Not available

Toro 201041

.002" Oversize

Note: These parts may be ordered under these Wheel Horse Part Numbers, and are available through the Wheel Horse Distribution System.

$

$

Currently unavailable

Toro 201042

.005" Oversize

Note: These parts may be ordered under these Wheel Horse Part Numbers, and are available through the Wheel Horse Distribution System.

$

$

Currently unavailable

Toro 201043

55095 ADD.REPLAC.PA

Note: These parts may be ordered under these Wheel Horse Part Numbers, and are available through the Wheel Horse Distribution System.

$3.23

$

Usually ships in 3-6 days

0

Toro 201044

.025" Oversize

Note: These parts may be ordered under these Wheel Horse Part Numbers, and are available through the Wheel Horse Distribution System.

$

$

Currently unavailable

29

INSERT, VALVE SEAT-INTAKE

Note: These parts may be ordered under these Wheel Horse Part Numbers, and are available through the Wheel Horse Distribution System.

$

$

Not available

Toro 201045

See Supercession: 59-0050
(Superseded to 59-0050)

Note: These parts may be ordered under these Wheel Horse Part Numbers, and are available through the Wheel Horse Distribution System.

$

$

Not available

Toro 201045

See Supercession: 59-0050
(Superseded to 59-0050)

Note: Included in Cylinder Block Assembly.

$

$

Not available

Toro 201046

.002" Oversize

Note: These parts may be ordered under these Wheel Horse Part Numbers, and are available through the Wheel Horse Distribution System.

$

$

Currently unavailable

Toro 201047

.005" Oversize

Note: These parts may be ordered under these Wheel Horse Part Numbers, and are available through the Wheel Horse Distribution System.

$

$

Currently unavailable

Toro 201048

.010" Oversize

Note: These parts may be ordered under these Wheel Horse Part Numbers, and are available through the Wheel Horse Distribution System.

$

$

Currently unavailable

Toro 201049

.025" Oversize

Note: These parts may be ordered under these Wheel Horse Part Numbers, and are available through the Wheel Horse Distribution System.

$

$

Currently unavailable

30

Toro 201050

Valve Guide
(Superseded to 57-8290)

Note: Included in Cylinder Block Assembly.

$

$

Not available

30

Toro 201050

Valve Guide
(Superseded to 57-8290)

Note: These parts may be ordered under these Wheel Horse Part Numbers, and are available through the Wheel Horse Distribution System.

$

$

Not available

31

Toro 201051

DUP PART SEE $BOOK

Note: These parts may be ordered under these Wheel Horse Part Numbers, and are available through the Wheel Horse Distribution System.

$

$

Not available

32

Toro 201052

See Supercession: 57-8260
(Superseded to 57-8260)

Note: These parts may be ordered under these Wheel Horse Part Numbers, and are available through the Wheel Horse Distribution System.

$

$

Not available

33

*BEARING, CRANKSHAFT-FRONT

Note: These parts may be ordered under these Wheel Horse Part Numbers, and are available through the Wheel Horse Distribution System.

$

$

Not available

33

*BEARING, CRANKSHAFT-FRONT

Note: Replacement front flange, bearing replaces unflanged bearing and thrust washer.

$

$

Not available

Toro 201053

See Supercession: 57-8030
(Superseded to 57-8030)

Note: Included in Cylinder Block Assembly.

$

$

Not available

Toro 201053

See Supercession: 57-8030
(Superseded to 57-8030)

Note: These parts may be ordered under these Wheel Horse Part Numbers, and are available through the Wheel Horse Distribution System.

$

$

Not available

Toro 201054

.002" Undersize

Note: These parts may be ordered under these Wheel Horse Part Numbers, and are available through the Wheel Horse Distribution System.

$

$

Currently unavailable

Toro 201055

.010" Undersize

Note: These parts may be ordered under these Wheel Horse Part Numbers, and are available through the Wheel Horse Distribution System.

$

$

Currently unavailable

Toro 201056

.020" Undersize

Note: These parts may be ordered under these Wheel Horse Part Numbers, and are available through the Wheel Horse Distribution System.

$

$

Currently unavailable

Toro 201057

.030" Undersize

Note: These parts may be ordered under these Wheel Horse Part Numbers, and are available through the Wheel Horse Distribution System.

$

$

Currently unavailable

34

Toro 201058

Cap Screw-Cylinder Block

Note: These parts may be ordered under these Wheel Horse Part Numbers, and are available through the Wheel Horse Distribution System.

$

$

Currently unavailable

35

Toro 201059

See Supercession: 57-9760
(Superseded to 57-9760)

Note: These parts may be ordered under these Wheel Horse Part Numbers, and are available through the Wheel Horse Distribution System.

$

$

Not available

36

Toro 201060

See Supercession: 57-8240
(Superseded to 57-8240)

Note: These parts may be ordered under these Wheel Horse Part Numbers, and are available through the Wheel Horse Distribution System.

$

$

Not available

36

Toro 201060

See Supercession: 57-8240
(Superseded to 57-8240)

Note: Included in Cylinder Block Assembly.

$

$

Not available

37

Toro 201061

See Supercession: 59-0770
(Superseded to 59-0770)

Note: Included in Cylinder Block Assembly.

$

$

Not available

37

Toro 201061

See Supercession: 59-0770
(Superseded to 59-0770)

Note: These parts may be ordered under these Wheel Horse Part Numbers, and are available through the Wheel Horse Distribution System.

$

$

Not available